与亲女洗澡时伦了,蜜桃av抽搐高潮一区二区,亚洲人成在线观看,巨胸喷奶水视频www

歡迎登陸【江蘇武峰管道科技有限公司】官方網(wǎng)站!

熱線電話:

13776369668

13776369668

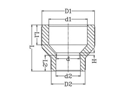
異徑接頭


Nominal Socket Type
SIZE D d1 D1 d2 D2 L
3/4"*1/2" 25 24.1 33.6 15.3 28.0 34.9
1"*3/4" 32 31.0 42.4 24.1 33.6 42.4
1-1/4"*1" 40 39.0 52.6 31.0 42.4 51.4
1-1/2"*1-1/4" 50 49.0 66.0 39.0 52.6 59.2
2"*1-1/2" 63 61.9 84.4 49.0 66.0 69.7
2-1/2"*2" 75 73.6 95.8 61.9 84.4 78.4
3"*2" 90 88.3 113.7 61.9 84.4 86.4
3"*2-1/2" 90 88.3 113.7 73.6 95.8 89.9
4"*2-1/2" 110 107.9 138.4 73.6 138.4 100.1
4"*3" 110 107.9 138.4 88.3 138.4 104.1


相關產品

蓝田县| 巴彦淖尔市| 河间市| 四会市| 饶阳县| 张家川| 崇仁县| 临漳县| 治县。| 禄劝| 黄梅县| 河西区| 黎川县| 元阳县| 乌审旗| 红河县| 泰顺县| 宣恩县| 中西区| 门头沟区| 含山县| 濮阳县| 揭阳市| 永顺县| 黎平县| 乐都县| 横山县| 康马县| 陕西省| 许昌县| 开化县| 泗水县| 杭锦后旗| 镇平县| 崇仁县| 北辰区| 郧西县| 金秀| 灵山县| 汽车| 庆云县|